











Apartament 3 camere Moșilor – Str. Ion Maiorescu, finisaje lux
Bucuresti, Mosilor
290.000€
Camere
3
Suprafata utila
79 mp
Suprafata construita
94 mp
Etaj
Etaj 3
Bai
2
An constructie
2010
- ID:P9711
- Nr. camere:3
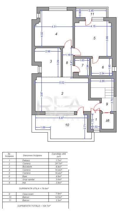
- S. utila:79.00 mp
- S. balcoane:18.00 mp
- S. utila totala:97.00 mp
- S. construita:94.00 mp
- Comp.:Semidecomandat
- Confort:1
- Etaj:Etaj 3
- Nr. bucatarii:1
- Nr. bai:2
- Nr. balcoane:2
- An constructie:2010
- Structura:Beton
- Tip imobil:Bloc
- Regim inaltime:D+P+3
Descriere
R.E.A. Imobiliare vă oferă spre vânzare un apartament modern cu 3 camere în zona Mosilor - Strada Ion Maiorescu , semidecomandat, situat într-un bloc nou.
Bloc construit în anul 2010.
Curte interioara comuna.
Se află la etajul 3 al unui bloc cu 3 etaje și are o suprafață utilă totală de 79 mp, din care 18 mp sunt reprezentați de cele doua balcoane.
Compartimentare: living, două dormitoare, bucătărie, doua bai și doua balcoane.
Finisaje de lux, travertin/marmura.
Confortul termic este asigurat prin centrala proprie, dar si cu ajutorul aparatelor de aer conditionat.
Spatiu de depozitare.
Pozele sunt orientative.
Zonă pet-friendly.
În imediata apropiere se află puncte comerciale, bancare, farmaceutice, medicale, educaționale și de divertisment.
Acces facil la mijloacele de transport în comun: 5-6 minute pana la metrou.
Se acceptă toate modalitățile de plată.
Informațiile tehnice au caracter orientativ, acestea fiind preluate de la proprietar.
👉 Dacă sunteți în căutarea unui apartament modern cu 3 camere în zona Mosilor - Strada Ion Maiorescu, nu ratați această ocazie!
Comision standard, valabil doar la cumpărare.
Pentru mai multe detalii și vizionări, nu ezitați să ne contactați, specificând codul P9711.
Citeste mai mult
Bloc construit în anul 2010.
Curte interioara comuna.
Se află la etajul 3 al unui bloc cu 3 etaje și are o suprafață utilă totală de 79 mp, din care 18 mp sunt reprezentați de cele doua balcoane.
Compartimentare: living, două dormitoare, bucătărie, doua bai și doua balcoane.
Finisaje de lux, travertin/marmura.
Confortul termic este asigurat prin centrala proprie, dar si cu ajutorul aparatelor de aer conditionat.
Spatiu de depozitare.
Pozele sunt orientative.
Zonă pet-friendly.
În imediata apropiere se află puncte comerciale, bancare, farmaceutice, medicale, educaționale și de divertisment.
Acces facil la mijloacele de transport în comun: 5-6 minute pana la metrou.
Se acceptă toate modalitățile de plată.
Informațiile tehnice au caracter orientativ, acestea fiind preluate de la proprietar.
👉 Dacă sunteți în căutarea unui apartament modern cu 3 camere în zona Mosilor - Strada Ion Maiorescu, nu ratați această ocazie!
Comision standard, valabil doar la cumpărare.
Pentru mai multe detalii și vizionări, nu ezitați să ne contactați, specificând codul P9711.
Specificatii
Curent
Apa
Canalizare
Gaz
Telefon
Acces internet
Fibra optica
Centrala proprie
Calorifere
Aer conditionat
Bloc izolat termic
Vopsea lavabila
Faianta
Gresie
Ferestre Termopan
Usa intrare Metal
Usa interior Lemn
Bucatarie Mobilata
Bucatarie Utilata
Apometre
Contor gaz
Complet mobilat
Interfon
Valentin Ghitiu
0732227227
Esti interesat de aceasta proprietate ?